ZADZWOŃ DO NAS!
Skontaktuj się z nami!

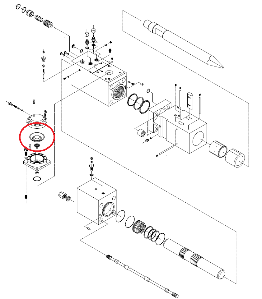
Membrana akumulatora D&A 180V

Rodzaj części:

Marka:

Membrana akumulatora D&A 180V

+48 794 314 901

Masz wątpliwości? Zadzwoń!

Opis

Oferujemy membrany akumulatorów hydraulicznych poliuretanowe i z materiału NBR, oryginalne i zamienniki renomowanych firm, zawory azotowe do napełniania akumulatorów młotów hydraulicznych, wyburzeniowych większości producentów.

Membrana akumulatora do młota hydraulicznego/wyburzeniowego D&A 180V.
Numer katalogowy: Diaphragm, B18V-14300

Powiązane

Tagi

Zamówienie

Zapytaj o ofertę

Zamówienie

Sprawdź dostępność