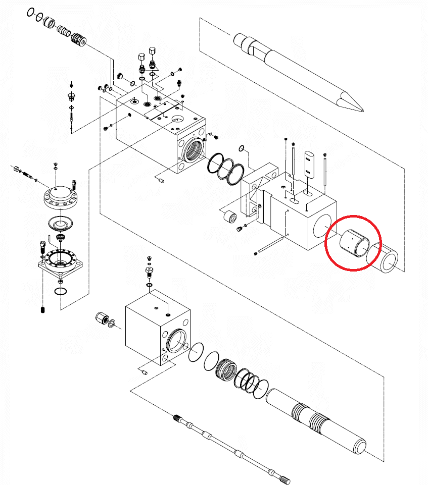
Oferujemy tuleje narzędziowe dolne, górne, pierścienie oporowe, zabezpieczenia tulei do młotów hydraulicznych, wyburzeniowych większości producentów.
Tuleja narzędziowa do młota hydraulicznego/wyburzeniowego D&A 200V.
Numer katalogowy: Lower bushing, B202V-12401
