ZADZWOŃ DO NAS!
Skontaktuj się z nami!

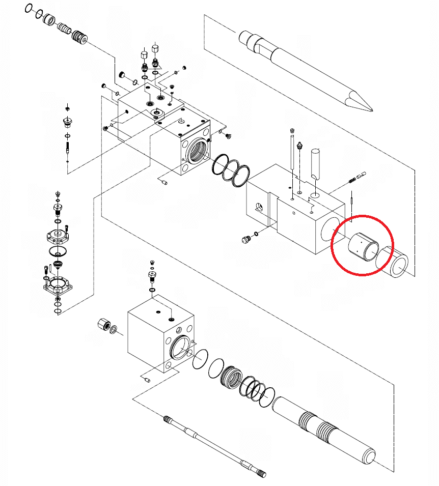
Tuleja narzędziowa D&A 70V

Rodzaj części:

Marka:

Tuleja narzędziowa D&A 70V

+48 794 314 901

Masz wątpliwości? Zadzwoń!

Opis

Oferujemy tuleje narzędziowe dolne, górne, pierścienie oporowe, zabezpieczenia tulei do młotów hydraulicznych, wyburzeniowych większości producentów.

Tuleja narzędziowa do młota hydraulicznego/wyburzeniowego D&A 70V.
Numer katalogowy: Lower bushing, B072V-12400

Powiązane

Tagi

Zamówienie

Zapytaj o ofertę

Zamówienie

Sprawdź dostępność